• 強力工字型立柱座-STE-B
  • 強力工字型立柱座-STE-B

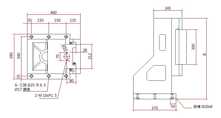
強力工字型立柱座-STE-B


A. 構造堅強,可強力重切削。
B. 使用高級鑄鐵FC-30,特殊熱處理及調質,適合精密加工。
C. 油壓,空壓或滾珠螺桿。

選購配件:

主軸頭、馬達

ste-3070b-1_1.gif

單位:mm

型式 適用之主軸頭 搭配馬達 B 行程(mm) 最大載重(kg) 油壓孔徑
鑽孔頭 攻牙頭 選購主軸頭
STE-3070B FD8 F8N SH30I 2 HP 700 (無) 100 300 Ø63/Ø80
附後緩衝器
SH40I 3 HP
SH50I 5 HP (含配件) 100
STE-30100B FD8 F8N SH30I 2 HP 1000 (無) 400 300
SH40I 3 HP
SH50I 5 HP (含配件) 330

相關產品

強力工字型立柱座-STE-A
Detail

強力工字型立柱座-STE-A

強力工字型立柱座-STE-25
Detail

強力工字型立柱座-STE-25

強力工字型立柱座-STF-30
Detail

強力工字型立柱座-STF-30